Eigenbau PV-Sonnennachführung
|
|
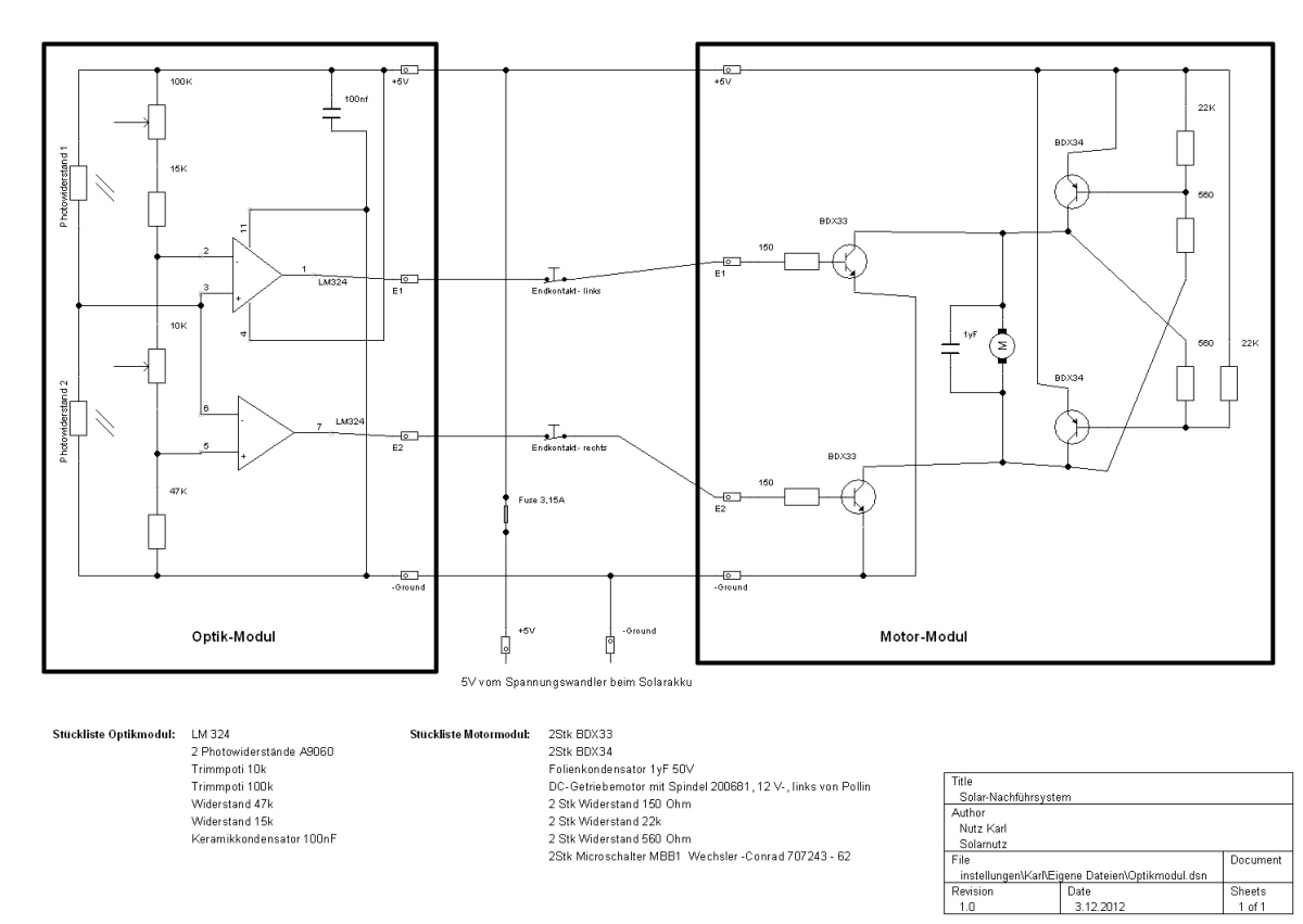
Baubeschreibung: Ein kleines Modell als Schaustück
mit einem 10 Watt Modul ist fertig und funktioniert einwandfrei. Die Steuerung besteht aus dem Optik-Modul, welches aus 2 Fotowiderstände den Sonnenstand bestimmt und die Informationen dem Motormodul übergibt. Die Fotowiderstände werden v-förmig angeordnet und mit einem Röhrchen von 1cm Länge versehen (siehe Bild).
Das Motormodul steuert einen
Getriebemotor an, und dreht das Modul zur Sonne. Die gesamte Steuerung funktioniert mit einer Spannung von ca. 5Volt. Bei diesem Modell ist ein Akkupack mit 4,8V integriert, welcher vom Modul geladen wird.
Link: Youtube Video |
Schaltplan:
